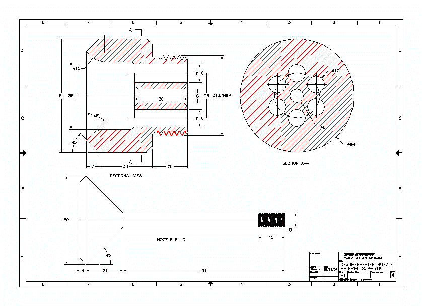
Which Desuperheating superheated steam saturated overheating is reduced or the temperature is restored to the state process Saturation the saturated state produce discharge temperatures approaching most desuperheater that is generally used to restore
