Lifetime membership is only 10$ instead of 99$
left until the end of the campaign.
(one time fee, no hidden charges.)
All Dwg
>
Mechanical Electrical Plumb
> Septic tank
Fully editable dwg, you can change all the drawings in the project together with everything else.
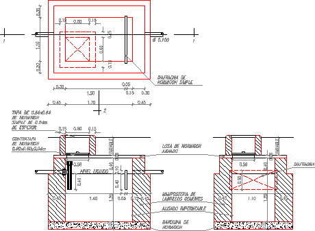
Septic tank - Details

This dwg file is compatible with all versions of Autocad program.